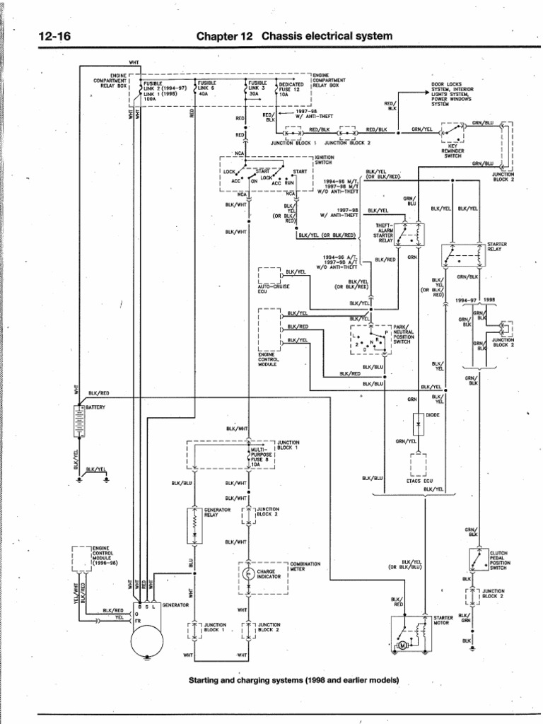
03 Eclipse Wiring Diagram

34+ 03 Eclipse Wiring Diagram
Images
. How to read configuration diagrams. This is for an 03 rs btw.

Radio wire diagram 95 eclipse Gs | DSMtuners
Radio wire diagram 95 eclipse Gs | DSMtuners from www.dsmtuners.com
Engine fully built and good to go! Also where is the 15 pin plug at? Components for your safety in using the avn5435 installation diagram.

Engine fully built and good to go!

Wiring of mitsubishi eclipse edited in the form. Tried to do a tune. · изберете менюто на eclipse wl (в примера устройство 03): It says above the fuses but i cant really find it.


Share it :

Related Posts